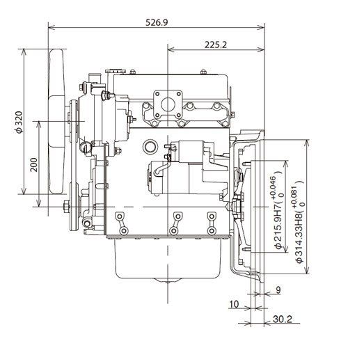
L3E ENGINE
| Type | 4-Cycle water-cooled diesel engine |
|---|---|
| Aspiration | Natural-Aspriated |
| Number of Cylinder | 3 |
| Bore and Strock (mm) | 76×70 |
| Displacement (cc) | 952 |
| Combustion System | Swirl chamber |
| Maximum gross output (kW/rpm) | 17.0/3600 |
| Fuel/Fuel System | Disel fuel(ASTM No.2-D)/in-line type(PFR) |
| Charging alternator (V-A) | 12-40 |
| Starting system | 12-1.7 |
| Engine oil capacity (L) | 3.6 |
| Dry weight (kg) | 75 |
| Flywheel | SAE#6.5 |
| Flywheel Housing | SAE #5 |
Δείτε σχετικές προσφορές ή επικοινωνήστε για ειδικές παραγγελίες
Καστοριάς 55, Αθήνα 104 47 | Τηλέφωνο : 21 0346 1470





